Home
Application
Power Supply

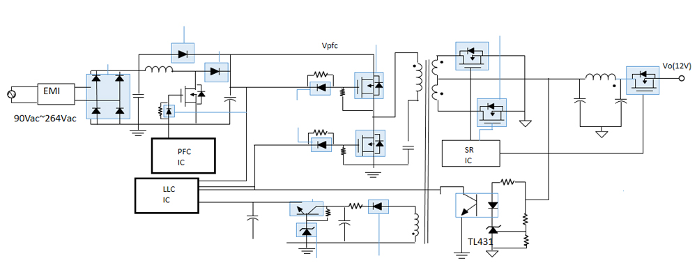
Power Supply
The trend of power supply product development is the smaller the space, the larger the power, which requires the internal use of discrete devices also need to follow this trend to iterate update. Yangjie Technology seized the opportunity, successfully developed the rectifier bridge, mosfet, fast recovery diode and other products, and has been successfully mass-produced and listed. It is widely used in mobile phone charger, PC power supply, server power supply and other fields.
18W Mobile phone charger ?
24W Mobile phone charger ?
Notebook adapter ?
PC power supply ?
Server power supply ?